開始10分で時間で時間で目標達成——“暗闇で迷わない”蓄光カラビナ、Makuake第7弾が好発進
創業50年の町工場が挑む“自社ブランド”、応援購入が一気に集まる展開に
株式会社丸八化成(愛知県)が2026年4月6日より開始したMakuake第7弾プロジェクト「蓄光カラビナ ラージサイズ」は、公開後10分で目標金額を達成しました。電源不要で暗闇でも視認できる防災性も支持され、多くの応援購入を集めています。
■ 公開直後から支援が集中、目標金額を達成
2026年4月6日11:55より開始した本プロジェクトは、
公開後10分で目標金額を達成しました。

開始直後からアクセスと支援が集まり、現在も応援購入が継続しています。
■ 支持された理由は「防災×実用性」
本製品が支持された最大の理由は、
「暗闇で迷わない」という明確な価値です。

物が見つからないという不安を解消する
“電源不要で光る”というシンプルかつ実用的な機能が、
多くの共感を集めました。
■ 30%大型化で使いやすさも向上
今回の新モデルでは、従来比で約30%サイズアップ。


・扱いやすい
・着脱しやすい
という実用面の進化も評価されています。
■ 「町工場発ブランド」への期待
本プロジェクトは、
創業50年の町工場である丸八化成が手がけています。


受託製造から自社ブランドへ挑戦する取り組みとしても注目され、
単なる商品ではなく、
「町工場の新しい挑戦」への共感も支援につながっています。
■ まだプロジェクトは継続中
本プロジェクトは現在も公開中で、
さらなる支援を受け付けています。
今後は100万円の目標を目指して、
より多くのユーザーに製品を届けていきます。
プロジェクト概要
・プロジェクト名:蓄光カラビナ ラージサイズ
・開始日時:2026年4月6日(月)11:55
・販売プラットフォーム:Makuake
https://www.makuake.com/project/oboro-ds/
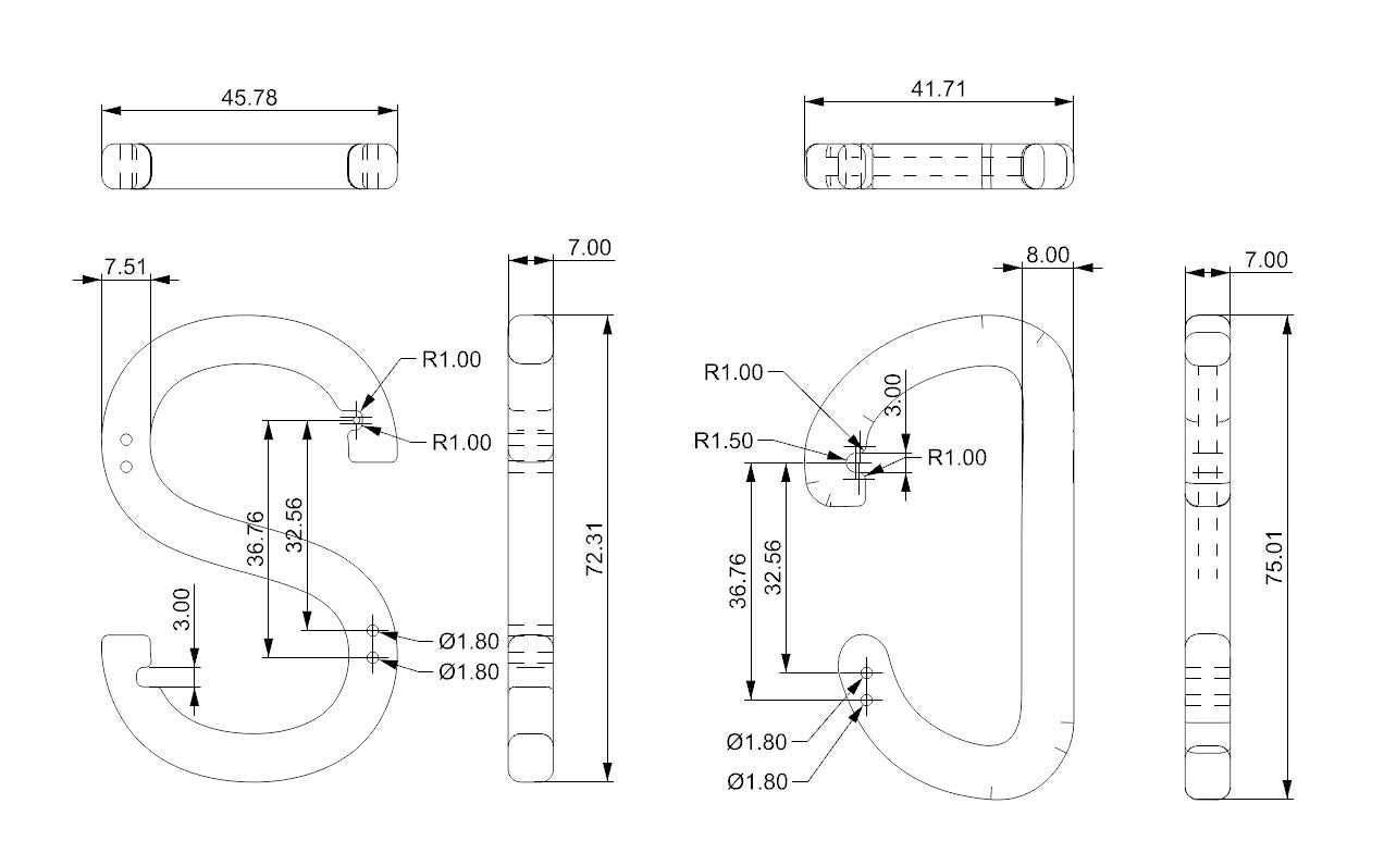
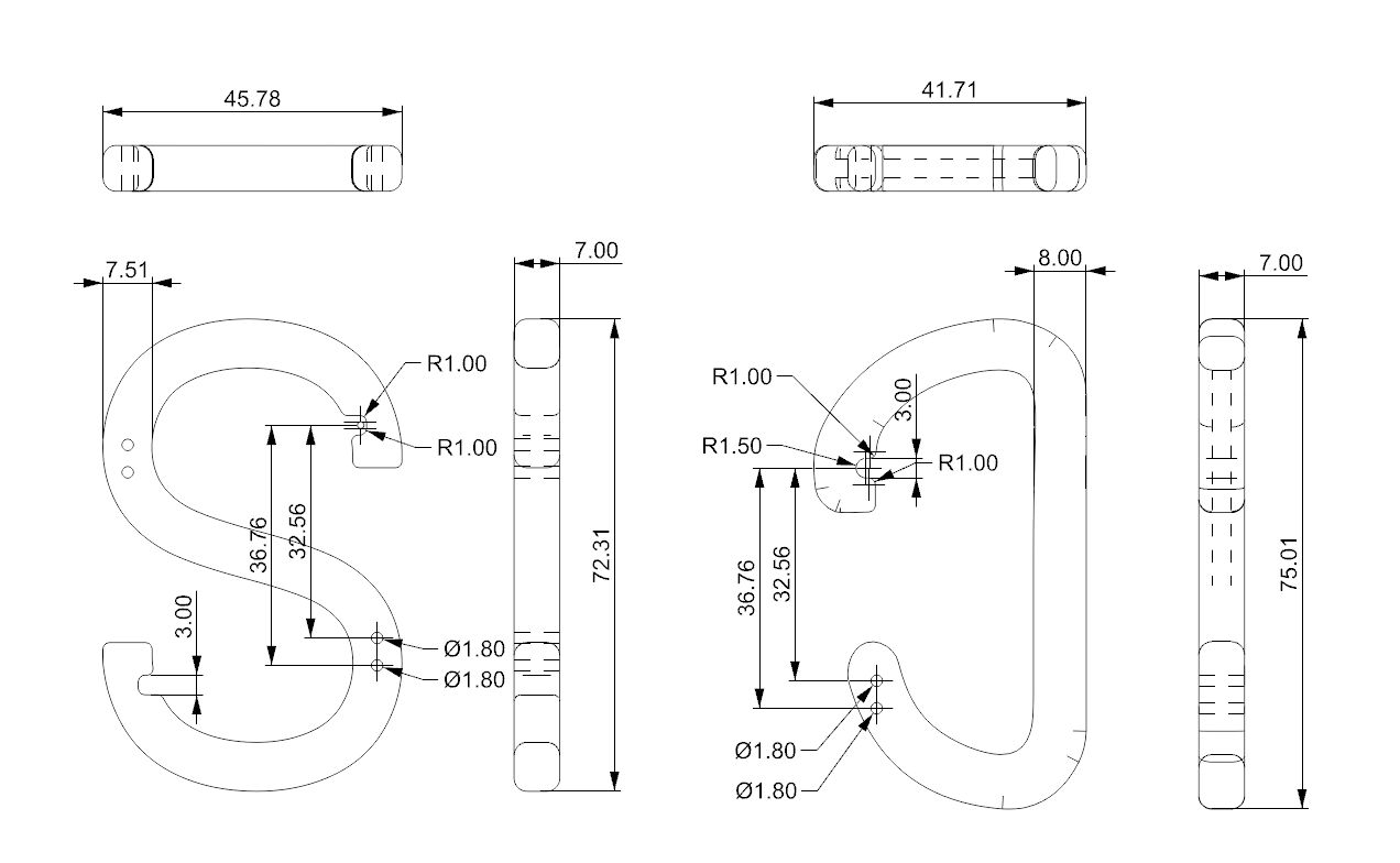
・種類:D型 / S型
・価格:超早割¥1,760円~
・仕様:蓄光/電源不要/蓄光ポリカーボネート樹脂/ステンレス(ニッケルメッキ)
※本クラウドファンディングのお問い合わせ先:kaneda@maruhachi-kasei.co.jp
【会社情報】
会社名 株式会社丸八化成
代表者 代表取締役社長 金田将典
住所 愛知県名古屋市守山区川宮町673番地
創立 1974年
URL https://maruhachi-kasei.co.jp
楽天市場:https://www.rakuten.co.jp/ouroboros-08/
公式Instagram:https://www.instagram.com/maruhachikasei/
公式X(旧Twitter):https://x.com/maruhachi_kasei
公式YouTube:https://www.youtube.com/@maruOUROBOROS
会社概要
会社名:株式会社丸八化成
代表者:代表取締役 金田 将典
所在地:〒463-0081 愛知県名古屋市守山区川宮町673番地
創立 :1974年
事業内容:プラスチックの企画・製造・販売
このプレスリリースには、メディア関係者向けの情報があります
メディアユーザー登録を行うと、企業担当者の連絡先や、イベント・記者会見の情報など様々な特記情報を閲覧できます。※内容はプレスリリースにより異なります。
すべての画像
- 種類
- 商品サービス
- キーワード
- クラウドファンディング町工場カラビナ蓄光
- ダウンロード
