業界初の接合技術を採⽤。分解してアウトドアにも持ち出せる組⽴式の「六⾓囲炉裏」を開発。先着10名様限定の特別価格にて予約受付を開始。
〜⼤切な家族や仲間との円居。⾃然とみんなが集う空間をつくりませんか〜
創業77年、伝統⼯芸品の南部箪笥や⺠芸家具の製作販売を⼿がける、株式会社マルイ造形家具⼯業(本社:岩⼿県九⼾郡九⼾村伊保内、代表取締役:千葉暢威、以下当社)は、アウトドア家具ブランドA&D/W(エーアンドディーダブ
リュー)より、業界初の接合技術を採⽤した組⽴式の「六⾓囲炉裏」を新たに開発しました。六⾓囲炉裏は、家の中でも外でも、様々なシチュエーションに合わせて変換して使⽤できる機能性が特徴の商品です。ブランド⽴ち上げ2周年⽬の
2023年12⽉23⽇(⾦)より、当社ECサイトにて先着10名様限定の特別価格予約受付を開始致します。
受注⽣産後、3⽉30⽇〜5⽉20⽇の間にかけて順次出荷致します。
リュー)より、業界初の接合技術を採⽤した組⽴式の「六⾓囲炉裏」を新たに開発しました。六⾓囲炉裏は、家の中でも外でも、様々なシチュエーションに合わせて変換して使⽤できる機能性が特徴の商品です。ブランド⽴ち上げ2周年⽬の
2023年12⽉23⽇(⾦)より、当社ECサイトにて先着10名様限定の特別価格予約受付を開始致します。
受注⽣産後、3⽉30⽇〜5⽉20⽇の間にかけて順次出荷致します。

【⽬次】
・コンセプト
・商品構成
・5つの使い⽅
・業界初の接合技術
・こだわりのディテール
・岩⼿県産木材「クリ材」
-------------------------------
・製品概要
・イベント情報
・会社概要
・お客様からのお問合せ先
- 【コンセプト】
⼤切な家族や仲間と、笑顔で会話の弾む暖かい円居空間をつくるお⼿伝いをしたい。そんな思いから、六⾓囲炉裏は⽣まれました。
- 【商品構成】

分解時

- 【5つの使い方】


中央の六⾓蓋⾯積が⼗分に広いため、七輪や焼⾁グリル、カセットコンロや卓上IH等を同時に設置でき、「お⾁の種類によって炭⽕と鉄板を使い分けたい」「お⾁も焼きたいし、同時に煮炊きもしたい」、「料理ごとに熱源を変えたい」といったご要望にお応えしています。3つの熱源「炭」「ガス」「電気」を同時に使うことが可能な囲炉裏テーブルです。
また、⼤きなホットプレートを使⽤する場合にも、このゆとりあるスペースが魅力となります。
フラットなテーブルの中央部にホットプレートを置くと、配線コードをテーブル上⾯に這わすことになり邪魔になりますが、この商品は囲炉裏と六⾓蓋の天板段差の隙間を利⽤して、配線コードをうまく下に逃がすことができる構造になっています。
(ECサイト内で様々な熱源の組み合わせパターンを詳しく説明しております)
2、囲炉裏の中央部でストーブを使う

また六⾓蓋は、サイドテーブルとして使⽤することもできます。
焚き⽕台を使⽤する場合の注意点はECサイト内に記載しております。

3、六角蓋を設置してフラットテーブルとして使う


4、ワンポールの周りに置いて使う

5、ランタンポールを上手に使う

天板固定ストッパーを取り外したところにポールを差し込みます。ストッパーの機能を果たしながらもランタンポールとして使⽤できます。
吊るしたいものに合わせて上側と下側にフックを取り付けられ、外向き、内向きも選ぶことができます。

- 【業界初(※)の接合技術】
「囲炉裏をこの場所にセッティングしたはいいけれど、やっぱり別の場所の方がよかったな」
「⾬が降ってきたから急いで⾬を防げる場所へ移動したい!」といった悩みにも対応できるテーブルです。
またキャンプ場の不整地に置いても、天板に段差が⽣じません。⾦具類を使えば解消できるかもしれませんが、当社のこだわりである「ボルト、ねじ、⾦具、⼯具は絶対に使わずに接合する」という強い思いで設計しました。
このロッキング技法は当社独⾃に開発した業界初の接合技術です。
天板2枚を隙間なく引き寄せ合いながら、天板と脚が上下にも連結され、かつ天板の横へのスライドがロックされる仕組みです。
岩⼿県指定伝統⼯芸品の南部箪笥や⺠芸家具のダイニング⽕鉢テーブルの製造で培った技術を体感していただけます。
(※)木工業界指物技術の仕口形状について自社調べ。調査年月2022年11月。参考文献:産調出版「goodwoodjoints木工技術シリーズ 継ぎ手」参照


- 【こだわりのディテール】

2、足を伸ばしても脚部材に⾜が⼲渉しないデザインのため、ストレスを感じさせません。

3、 脚部にはブランドロゴの、「A」「D」「W」の文字を施しました。

- 【岩手県産木材 「クリ材」】

- 【製品概要】
・販売場所:「A&D/W」のECサイト内の購入ページ https://adw-furniture.com/products/no-15
・納期:受注生産後、3月30日~5月20日の間にかけて順次出荷致します。
・材質:岩手県産材 クリ材
・塗装:ウレタン塗装(F☆☆☆☆)
・下記は、税込、送料込の金額です。
・価格
□六角囲炉裏セット(六角囲炉裏+六角蓋+ランタンポール1本)
140,000円 ➡ 先着10名様特別価格115,000円
収納バック2種類付き(六角囲炉裏の収納バックと、六角蓋+ランタンポールの収納バック)
重量:約13kg
□六角囲炉裏 単品のみ
85,000円 ➡ 先着10名様特別価格75,000円
収納バック付き
重量:約8.5kg
□六角蓋 単品のみ
45,000円
収納バック付き
重量:約4.5kg
□ランタンポール1本 単品のみ
15,000円
重量:約0.5kg
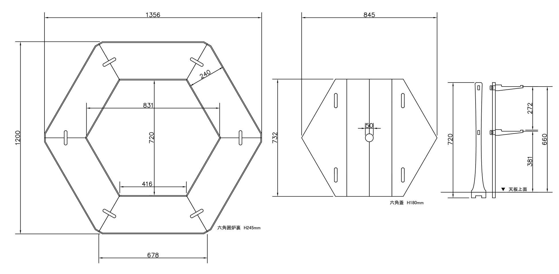
【完成時の寸法】

- イベント情報
期間:2023年1月7日(土)~1月15日(日)
時間:午前10時~午後6時迄
場所:九戸村道の駅おりつめ「オドデ館」にて
住所:028-6506 岩手県九戸郡九戸村大字山屋2-28-1
- 【会社概要】
所在地:〒028-6502 岩手県九戸郡九戸村伊保内11-13
代表者:千葉暢威
創業:1945年
URL:南部箪笥 http://www.marui-zoukei.co.jp/
ダイニング火鉢 https://www.marui-nanbu.com/
A&D/W https://adw-furniture.com/
事業内容:創業77年、南部箪笥やダイニング火鉢等の民芸家具を、木工・塗装・彫金金具の製作をすべて自社一貫生産。全国の百貨店にて販売。
- 【お客様からのお問い合わせ先】
TEL:0195-42-3031(10:00~17:00)
メールアドレス:info@marui-zoukei.co.jp
このプレスリリースには、メディア関係者向けの情報があります
メディアユーザーログイン既に登録済みの方はこちら
メディアユーザー登録を行うと、企業担当者の連絡先や、イベント・記者会見の情報など様々な特記情報を閲覧できます。※内容はプレスリリースにより異なります。
すべての画像
