ドローン オープンプラットフォーム プロジェクト対応2つの製品サービスを発表
1・DOP SUITEシリーズ (機体管理・サポート基盤パッケージサービス) 2・DOP HUB対応「プラットフォーム接続ユニット」
今回、発表した製品サービスはドローン オープンプラットフォーム プロジェクトのコンセプトに基づき、機体メーカーや各パートナーの技術を繋ぎ合わせる中核的な役割をし、ドローンの活用が進むなかで、安全性や運用性、活用シーンの多様性を高めます。 (詳細:https://www.drone-j.com/dop_lp_products/)

1. DOP SUITE(ドップスイート)シリーズ (機体管理・サポート基盤パッケージサービス)(サービス名未定)
1-1. 概要
DOP SUITEシリーズは、ドローンの活用が進む中での安定運用を支援するクラウドアプリケーションです。
機体運用や安全性の向上だけでなく、機体メーカーとのサポート連携を強化し、機体サポートの迅速化に寄与するソリューションとなります。 パナソニック システムデザイン株式会社の開発協力をうけ、製品開発を行っています。また、東京海上日動保険株式会社の機体保険と連動することで、ユーザー企業でのドローンの安定運用を高めます。
1-2. 主な機能
ドローン機体管理
・機体管理(バッテリーやモーターのサイクルや使用時間を含む)
・機体アラート
・ログデータの管理(使用報告書の作成を含む)
・ファームウェア管理(バージョン管理)
・ドローンの飛行記録との連動
オペレーター管理
サポート連携
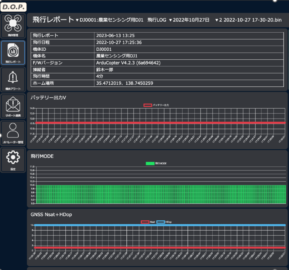
画面イメージ例一部:飛行レポート

1-3. 接続イメージ

1-4.採用・検証予定機体メーカー(2023年6月現在)
・イームズロボティクス株式会社
・株式会社ACSL
・株式会社プロドローン
2. DOP HUB(ドップハブ)対応「プラットフォーム接続ユニット」(製品名未定)
2-1. 概要
共通化されたユニットを使うことで、機体メーカーおよび周辺機器メーカーやアプリケーション提供メーカーは機体ごとに個別の開発を行うことなしに、周辺機器やアプリケーションを実装することが可能になるユニットとなる構想です。その第1弾をアドバンテック株式会社製のBUDシリーズと連携し提供します。

2-2. 役割
(1)周辺機器の接続: ジンバルカメラ、スマートバッテリー、パラシュート など
(2)通信環境の追加: LTE など
(3)アプリの追加: 通信制御、カメラ制御、セーフティ、セキュリティ、高度な機体制御 など
2-3. 仕様
アドバンテック社製シングルボードコンピュータ[MIO-2361]ベース
・CPU:Intel Atom E3900シリーズ
・4GBのLPDDR4-2400オンボードメモリー
・32GBのeMMCストレージ(最大64GB拡張可能)
・OS: Ubuntu/Windows
・専用樹脂性防水対応収容ボックス
・Port:USB3.0、2 x RS-232/422/485など
・AI推論用モジュール[*]
・LTEモジュール、LTEアンテナx2[*]
[*]オプション品(ご希望により搭載可能)
2-4. DOP HUBの構成図(例)

DOP HUB(ドップハブ)を活用したソリューション事例


2-5. 対応機器(2023年6月現在)
フライトコントローラー
・Pixhawkシリーズ、The Cube Orangeなどの「アルデュパイロット」搭載フライトコントローラー
周辺機器
・日本化薬製パラシュート 「PARASAFE®︎」
・古河電池製インテリジェントリチウムイオン電池パック
・Xacti製ドローンカメラシリーズ
2-6.提供形態
機体メーカーへの提供:イームズロボティクスからの販売
開発者への提供:ドローン・ジャパンからの提供
2-7.開発協力
アドバンテック株式会社
パナソニック システムデザイン株式会社
3. 販売開始時期
3-1. DOP SUITEシリーズ (機体管理・サポート基盤パッケージサービス):
-2023年8月 ユーザーテスト版提供(限定ユーザー)。2023年度下期 製品版提供(予定)
3-2.DOP HUB(ドップハブ)対応「プラットフォーム接続ユニット」:
-2023年8月 評価版提供。2023年度下期 製品版提供(予定)
4. 協働パートナーからのコメント
機体メーカー
イームズロボティクス株式会社
「DOP HUB や DOP SUITE によって、国産ドローンの市場性や安全性が大きく向上し、世界に打って出る好機になることを期待しております。」
株式会社ACSL
「ドローンが安全、安心に社会実装されるために、技術連携が可能なプラットフォームを形成するD.O.Pの取り組みに共感しております。今後、DOP SUITEを継続的に検証してまいります。」
株式会社プロドローン
「DOP SUITEによって、日本製ドローンのモジュール化標準化が進み、メーカー視点では合理化、ユーザー視点では導入・運用コストが下がり、産業化が加速すると期待しています。」
DOP SUITEビジネス連携
東京海上日動保険株式会社
「DOP Suiteにドローン保険をご提供し、専門チームによる円滑な事故対応をお届けいたします。保険を通じて、ドローン産業のさらなる発展をご支援させていただきます。」
開発協力
パナソニック システムデザイン株式会社
「ドローンを活用したソリューションを、機体と周辺機器を統合したDOP HUBを利用することで効率的に構築してご提供します。また、安心安全なドローン社会を実現するため、機体管理やサポート基盤を提供するパッケージサービスであるDOP SUITEシリーズの開発を進めてまいります。」
アドバンテック株式会社
「この度、アドバンテックの産業用ドローン向けコンパニオンコンピュータパッケージ“BUD”が、DOP HUB対応コンピュータとして認定いただいたことを大変嬉しく思います。アドバンテックはドローン産業の発展を通じて、より便利で豊かな世の中の実現に貢献できるように、DOP HUBの取り組みに積極的に協力していく所存です。」
このプレスリリースには、メディア関係者向けの情報があります
メディアユーザー登録を行うと、企業担当者の連絡先や、イベント・記者会見の情報など様々な特記情報を閲覧できます。※内容はプレスリリースにより異なります。
すべての画像
