LED投光器「レディオック フラッド スポラート」をリニューアル
電源ユニットの一体化により施工性が向上、耐塩仕様も標準化

岩崎電気は、HID投光器のデザインを継承したLED投光器「LEDioc FLOOD SPOLART(レディオック フラッド スポラート)」シリーズ、210Wタイプ~65Wタイプの24形式をリニューアルし8月8日より発売しました。
HID投光器からの置き換えでも、違和感なくLED化できる器具形状と配光性能を備えた「レディオック フラッド スポラート」。
この度のリニューアルでは、従来の電源ユニット別置形の光学性能はそのまま、要望の多い電源ユニットの一体化により施工性が向上しました。
塗装仕様のグレードアップ(耐塩仕様の標準化)を行い、広場やグラウンド、駐車場、サイン・広告照明や景観照明、仮設現場ほか、塩害地域も含め、安心してご使用いただけるエリアが更に拡大しました。
既設のHID投光器(水銀ランプ 1000W)から、同等の明るさの210Wタイプへの交換の場合、約80%の節電に貢献します。
主な特長
-
電源ユニットを一体形にしてリニューアル
電源ユニットの一体化により施工性が向上。
施工作業の負担を軽減します。
-
HID投光器のデザインを継承
これまで幅広く普及してきたHID投光器、アイ スポラートのデザインを継承したLED投光器で、使い慣れた形状のままLED化を可能にし、取付方法も同設計で、ガードやルーバなどのオプションが必要な場合も同じ形式で適合します。
-
高効率で低炭素化に貢献
レディオック フラッド スポラート 210Wタイプは水銀ランプ 1000WのHID投光器と同等の明るさで、約80%の大幅な省エネを実現しランニングコストの削減に貢献します。
※入力電力200V時
-
耐塩仕様の標準化
耐塩仕様を標準化しておりますので、塩害地域でも安心してご使用いただけます。
安心のデザイン
これまで慣れ親しんだ器具のイメージはそのままに、LED投光器にリニューアルで約80%のCO₂削減
※既設のHID投光器(水銀ランプ 1000W)から、同等の明るさの210Wタイプへの交換の場合

主な仕様

共通仕様
[屋外・屋内用][電源ユニット一体形][耐塩仕様]
前面カバー:強化ガラス
保護カバー:ポリカーボネート
反射鏡:アルミ(内外面シリカガラス処理仕上)
放熱部:アルミ・銅(ポリエステル塗装)
支持枠:アルミダイカスト(ポリエステル塗装)
アーム:鋼板(溶融亜鉛めっき)
耐雷サージ:15kV(コモンモード)
保護等級:IP43
使用温度範囲:-20℃~+35℃
仕上色:グレイ(マンセルN6)
定格入力電圧:100~242V対応
定格周波数:50/60Hz共用
光束維持時間:60000時間(光束維持率70%)
光源色:昼白色(5000K)、電球色(2700K)
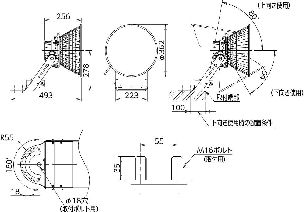
寸法図(単位:mm)



詳細情報
※LEDには、ばらつきがあるため同一形式においても光色、明るさが異なる場合があります。
※商品改良のため、仕様・外観を予告無しに変更することがあります。
※光束維持時間は設計値であり、その値を保証するものではありません。
※特性値は周囲温度25℃時の値です。周囲温度により特性値は変わります。
このプレスリリースには、メディア関係者向けの情報があります
メディアユーザー登録を行うと、企業担当者の連絡先や、イベント・記者会見の情報など様々な特記情報を閲覧できます。※内容はプレスリリースにより異なります。
すべての画像
