カーボンナノチューブ向け 溶剤系分散剤「IMa-UNDP」の提供開始
自社開発のセルロースナノファイバーをカーボンナノチューブの分散剤として応用

株式会社スギノマシン(富山県滑川市)は、カーボンナノチューブ(CNT)*1向け 溶剤系分散剤IMa-UNDPの販売を開始しました。IMa-UNDPは天然由来のセルロースを原料としたナノファイバー*2(商品名:BiNFi-s、ビンフィス)の極長繊維タイプの乾燥体であり、当社の湿式微粒化装置「スターバースト*3」と併用することで、高分散したCNT分散液の製造が可能です。
1.開発背景
カーボンナノチューブ(CNT)は導電性や熱伝導性に極めて優れた特長を持ち、様々な用途への応用が進んでいます。特に電気自動車や携帯端末用のリチウムイオン電池電極の電気抵抗を低減する導電助剤として需要が増えており、均質で高分散したCNT分散液が求められています。
当社の湿式微粒化装置「スターバースト」はCNT分散液の製造でスタンダードな製造装置となっており、多くのユーザーに使用されています。その中で分散剤はCNTの再凝集を防止し、分散状態を保持する上で重要な要素技術となっています。特にN-メチルピロリドン(NMP)*4などの溶剤系の分散では、既存の分散剤は熱や物理的なダメージに弱いことが多く、分散条件が限られるため生産性向上において重要な開発要素となっていました。
当社が別途開発を進めているセルロースナノファイバーの乾燥体を分散剤として使用することで、溶剤系においてCNTの分散性を高めると共に、その急激な増粘を抑制し、安定で高濃度の分散液を得ることができます。

2.溶剤系分散剤「IMa-UNDP」の特徴
(1)CNT分散メカニズム
セルロースナノファイバーの立体斥力により、CNTの優れた分散と減粘効果が得られます。

(2)少量添加で大きな分散効果
0.2wt%単層CNT(日本ゼオン、SG-101)をNMP溶媒中に分散させる事例を紹介します。分散剤として、0.2wt%IMa-UNDPを添加し、当社のスターバーストで200MPa、10回の衝突処理により、分散処理を行いました。比較として分散剤なし品、およびCNTの分散剤として一般的に使用されているポリビニルピロリドン(PVP)*5を添加したサンプルを作製し、同様の分散処理を行いました。
得られた分散液を希釈し、マイクロスコープで観察するとIMa-UNDP添加品ではCNTの凝集が見られず高分散していることが分かります。またPVPでは分散液全体に対して、2wt%の添加量が必要なのに対して、IMa-UNDPではPVPの1/10量の添加でCNTの分散が可能です。

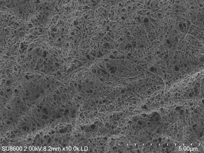
(3)CNT分散液の塗膜観察
調整したCNT分散液を銅箔に滴下し、乾燥させた後にFE-SEM*6で観察すると、添加材なしでは凝集したCNTが観察されるのに対して、IMa-UNDPを添加したサンプルではCNTの凝集がなく、その繊維形状が保持されています。CNTの凝集を抑えることで、電気特性や熱伝導性などの機能向上が期待されます。

(4)CNT分散液の減粘効果
CNT分散液を取り扱う上で、重要な要素が粘度です。IMa-UNDPを分散剤として添加すると、劇的にCNT分散液の粘度を下げることができます。得られた分散液をレオメータを用いて、フローカーブを測定し、せん断速度1(1/s)の時の粘度を比較すると、未添加品やPVP添加品に比べて大幅な粘度低減効果が見られます。このため取り扱いのしやすさや、CNTの高濃度化が期待されます。

3.溶剤系分散剤「IMa-UNDP」の製品仕様
型式: 極超繊維IMa-UNDP
*他の繊維長タイプ(標準、極短タイプ)の選択も可能です。
提供単位: 100 g (チャック付アルミ袋)
4.用語・補足
*1 カーボンナノチューブ(CNT)
炭素のみで構成されている直径がナノメートルサイズの円筒(チューブ)状の物質で、強度、熱伝導性、導電性に優れた材料。
*2 セルロースを原料としたナノファイバー
セルロースを主成分とする植物繊維を、ナノメートルサイズまで解して微細化した材料。
*3 湿式微粒化装置「スターバースト」
超高圧に加圧した水流と原料同士を超高速で衝突させることで、微粒化(分散・乳化・粉砕・へき開等)を行う装置。
*4 N-メチルピロリドン(NMP)
高い溶解性を持つ有機溶剤であり、その用途は有機合成、ポリマー、電子デバイス、ペイント、コーティング、リチウムイオン電池などの製造工程で使用される。
*5 ポリビニルピロリドン(PVP)
PVPは非イオン性の水溶性ポリマーで、CNTの溶剤系分散剤としても使用されている物質。
*6 電界放出形走査電子顕微鏡(FE-SEM)
電子銃に電界放出形電子銃を用いた電子顕微鏡で、熱電子銃を用いる汎用SEMと比較して電子ビームを細く収束させることができるため、より高倍率での観察が可能である。
<本件に関するお問い合わせ先>
■株式会社スギノマシン■
微粒装置部 新材料開拓係
TEL:(076)477-2572
<会社概要>
■会社名:株式会社スギノマシン
■代表者:代表取締役社長 杉野良暁、代表取締役副社長 杉野岳
■本社所在地:〒937-8577富山県滑川市栗山2880番地
■TEL:(076)477-2555(代) ■創業:1936年3月1日
■事業:高圧ジェット洗浄装置、超高圧水切断装置、原子力発電保守用機器並びに廃炉機器、湿式・乾式微粒化装置、ドリリングユニット、タッピングユニット、マシニングセンタ、拡管工具・装置、抜管装置、鏡面仕上工具、バイオマスナノファイバー等の開発、設計、製造、販売
このプレスリリースには、メディア関係者向けの情報があります
メディアユーザー登録を行うと、企業担当者の連絡先や、イベント・記者会見の情報など様々な特記情報を閲覧できます。※内容はプレスリリースにより異なります。
すべての画像
