子供乗せ電動サイクルも楽々駐輪 !女性やシニア層に優しい高機能駐輪ラックが登場
ストレスよさようなら〜ラックが動いてラック楽
気付かれないアイデア
日頃の生活の中で不便だったりストレスになっていても、それを解決できる手段やモノが世の中に存在しなければ、それが当たり前だと思ってしまいがちです。誰かに「◯✕◯✕って不便じゃない?」と言われて思い出したかのように気付いたりしませんか?
弊社は、モノをデザインするとき見た目の美しさよりも先ず対象になる既存のモノが正解なのか?全面的に疑ってかかります。特にサイクルラックは専門なので疑い深く観察している筈です。今回一つのアイデアのもと商品化まで辿り着いたのですが、お客様からの要望やヒアリング調査から生まれた訳ではございません。駐輪場で利用者の行動を観察したり駐輪ラックそのモノを定義することから必然と成立したアイデアです。
つまりは、駐輪ラック利用者も長年にわたり常態化したことによって潜在的ストレスに気付くことなく過ごしてきたとも言えるのです。よって、”Moving Rack"を体感して「あぁっ!」と気付くかも。。。
自立スタンドの使い方をご存知ですか?
電動子乗せ自転車にはスタンダードに採用・装備されている安定感抜群の両立 スタンド、自転車メーカー各社によるとスタンドを地面に押し当てながら車体を引いてバックさせる安全で楽なスタンド方法を推奨しています。
※電動子乗せ自転車に限らずL字型両立スタンド採用モデル共通とのことです。

前輪を嵌め込む・差し込むタイプの前輪ラック
駐輪ラックには前輪と後輪の両方をレールに乗せるタイプと前輪だけを預けるタイプの前輪ラックとに大きく分類されます。
(前輪ラック)
1.駐輪場所へのアナウンスとアイコン的要素
2.自転車の整理整頓
3.風や不可抗力による転倒防止
の3点が主な目的とされる前輪ラックは、保持能力が低いため自転車本体に装備される自立スタンドと併用するのが一般的です。
ところが、駐輪ラックに前輪を嵌め込むと自転車メーカーが推奨する方法が取れません。利用者はチャイルドシートや後ろにカゴが装備された重さ35kgにもなる重い電動アシスト自転車の後輪を持ち上げてスタンドする必要が出てくるのです。また、支柱に差し込むタイプで自転車メーカー推奨方法をとるとラックから抜けることになるのです。

▲前輪がホールドされるので自転車をバックさせられません。

▲自転車がバックすると支柱から抜けてしまいます。
ラックを使っても普段通りにご利用いただけます。
前輪ラックと自転車の前輪にご注目ください。
ラックが前輪と追従することで、重たい電動アシスト自転車を持ち上げる必要がなくなりました。
”moving rack"は子育て世代のママや高齢者に優しく、これまで駐輪場で抱えていた利用者のストレスを軽減できるユーザー目線の前輪ラックです。


”Moving Rack"商品説明







★ 小さなこだわり
多くの人は自転車を押し歩くとき自転車の左側に立ち車体は少し左に傾いた状態です。”Moving Rack"は左右非対称のタイヤガイドをデザインしたことで少し左に傾いた自転車でも入庫しやすくなっております。
また、加速度センサーに干渉しない設計のほか入庫時の衝撃を緩和させる
2ステップ構造など細かな部分にも配慮しております。

★Moving Rackは「建築材料・住宅設備総合展2023」 優良製品・技術表彰において、 建築材料協会特別賞を受賞した製品です。
製品情報・仕様
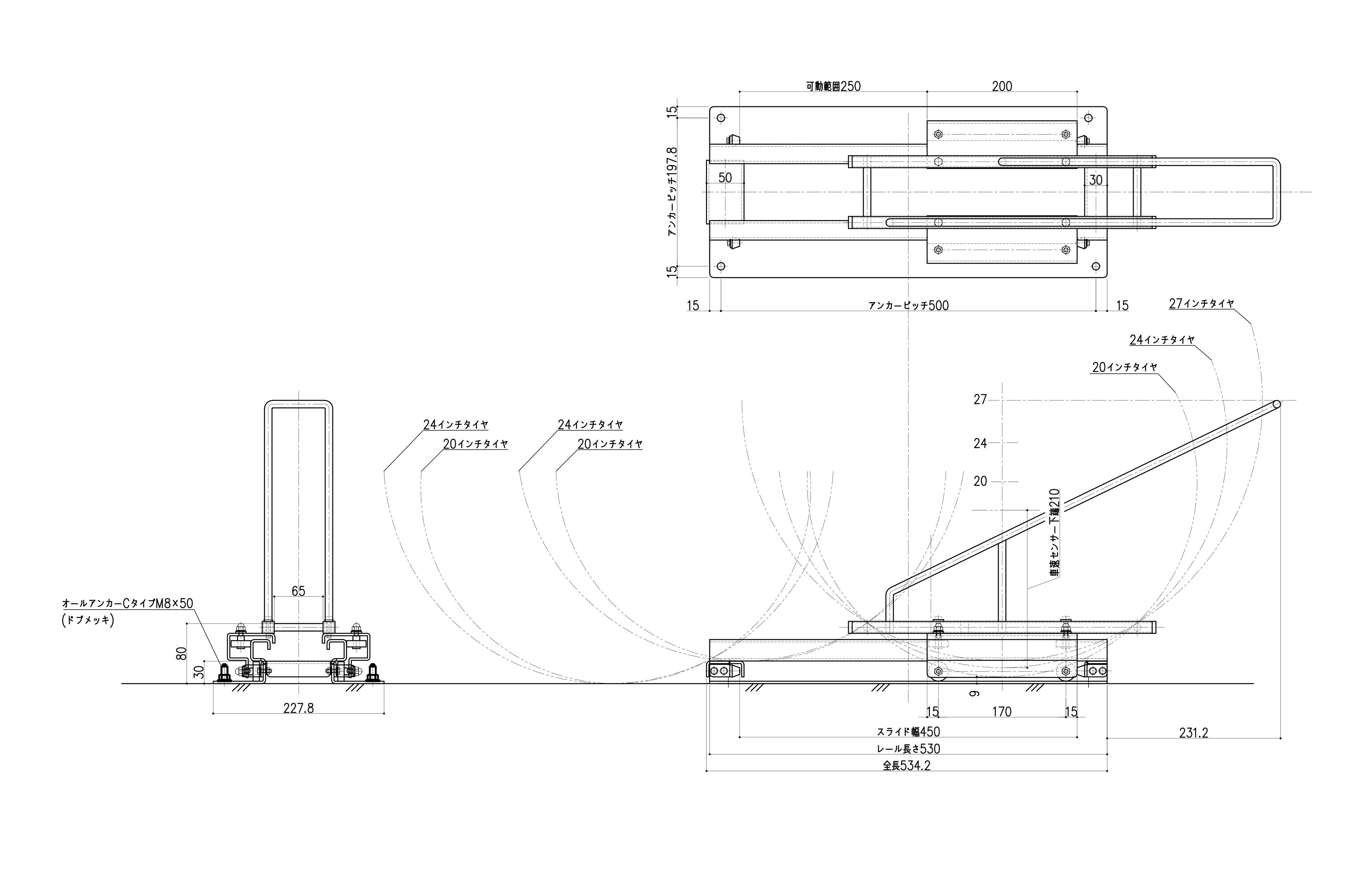
・Size L:534mm W:228mm H:80mm Material:溶融亜鉛メッキ鋼板
・スライドユニット+タイヤガイド
・Size L:(65)+534+(231)mm Material:スチール*塗装
・稼働範囲250mm タイヤガイド内寸法 W:65mm. 総重量:約10kg
・推奨タイヤサイズ 20〜27inch タイヤ幅60mmまで
・メーカー希望販売価格 ¥55000-(消費税込)
お問い合わせ/関連情報
公式WEBサイト https://modoru.jp/
公式SHOP https://modoru.thebase.in/
instagram https://www.instagram.com/modoru_kikaku/
facebook https://www.facebook.com/modoru/
twitter https://twitter.com/modoru_kikaku
会社概要
有限会社モドルキカク
所在地:553-0005大阪市福島区野田1-1-86関連棟3F-63
事業内容:駐輪ラックのデザイン・製造・販売
代表者:小林誠一郎
MAIL:info@modoru.jp
メッセージ
自転車は手軽に利用できる素晴らしい乗り物です。多くの皆様が、その自転車という乗り物を利用しやすく成るよう弊社は常に創意・工夫しています。
駐輪弱者に配慮した本製品は、収容台数ファーストであった駐輪場に思いやりゾーン拡充のトリガーになること目標にしています。
このプレスリリースには、メディア関係者向けの情報があります
メディアユーザー登録を行うと、企業担当者の連絡先や、イベント・記者会見の情報など様々な特記情報を閲覧できます。※内容はプレスリリースにより異なります。
すべての画像
