車載イーサネットの「不合格」を解明。丸文が高精度デバッグソリューションを提供
~Teledyne LeCroy, Incの車載イーサネット・テスト・ソリューションで開発期間の短縮に貢献~
エレクトロニクス商社の丸文株式会社(代表取締役社長 兼 CEO / COO︓堀越裕史、本社︓東京都中央区、以下、丸文)は、米国Teledyne LeCroy, Inc(テレダイン・レクロイ、以下、Teledyne LeCroy社)と代理店契約を締結し、同社の車載イーサネット・テスト・ソリューションの取り扱いを開始することになりましたのでお知らせいたします。
本ソリューションは、高機能・高精度なオシロスコープと高速インターコネクトアナライザーであるTDR、さらに自動テストソフトウェアを組み合わせた統合テストソリューションです。ADAS(先進運転支援システム)やコネクテッドカーの進化に不可欠な車載ネットワークの開発・製造において、単なる規格の合否判定にとどまらず、不合格の根本原因を迅速に特定する高度なデバッグ機能を提供します。これにより、エンジニアの開発プロセスを効率化し、次世代自動車の品質の向上と市場投入の加速に貢献します。

自動車開発において、車載イーサネットはECU間の大容量データを高速に伝送するための基幹技術です。その性能と信頼性を保証するためには、物理層が規格に準拠していることを保証するための厳格なコンプライアンステストが不可欠です。
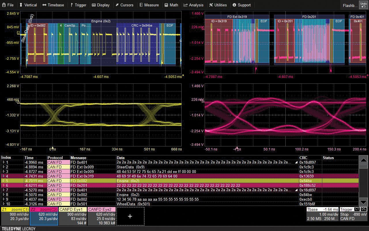
コンプライアンステストで不合格が発生した場合、「なぜ不合格なのか」 「どこに原因があるのか」といった根本原因を、いかに迅速に特定し、解決することが求められます。Teledyne LeCroy社の車載イーサネット・テスト・ソリューションは、コンプライアンステストの合否判定から原因究明までをシームレスに行う環境を提供します。
【提供する主なコンプライアンステストとデバック機能】
-
提供する主なコンプライアンステスト
出力ドループ、ジッタ(マスタ/スレーブ)、クロック周波数、パワー・スペクトル密度、トランスミッタ歪み、MDIリターンロス等
-
デバッグ機能
プロトコル・デコード&トリガー:特定のプロトコル・パケットでトリガーし、物理層波形を捕捉
時間相関ビュー:物理層波形とプロトコルデータを同一画面に表示し解析
高度なジッタ解析:ジッタの根本原因を特定するための詳細な分析ツール
アイパターン解析:信号品質を視覚的に評価し、問題点を迅速に特定

【主なアプリケーションと導入メリット】
本ソリューションは、自動車開発における品質保証や故障解析、最先端の研究分野で大きな効果を発揮します。

|
アプリケーション分野 |
主な導入メリット |
|---|---|
|
車載イーサネット基板開発 |
複雑なコンプライアンス試験の完全自動化、基板の伝送路レベルでのデバッグを実現。 |
|
SerDesの信号品質チェック |
12bit垂直分解能、物理層とプロトコル層の時間相関解析により、信号のふるまいを可視化。 |
|
MIPI(A-PHY/D-PHY)検証 |
MIPI規格に準拠した物理層テストと、プロトコル・デコードとトリガーによる断続的に発生するエラー検知。 |
【今後の取り組みについて】
当社は、Teledyne LeCroy社の車載イーサネット・テスト・ソリューションをラインアップに加えたことで、従来から提案してきた車載ネットワークの評価を、物理層から上位層までワンストップで提供可能になりました。未来の自動運転時代の到来に向け、お客様製品の信頼性向上はもちろん、開発から製造までのプロセスの効率化をより幅広く支援し、お客様の事業に貢献してまいります。
丸文株式会社について

丸文は最先端の半導体や電子部品、電子応用機器を取り扱うエレクトロニクス商社です。1844年に創業し、現在はエレクトロニクス市場を事業領域として、グローバルに事業展開しています。
半導体・電子部品のディストリビューションを担う「デバイス事業」、電子機器およびシステムの販売・保守サービスを取り扱う「システム事業」、ICT、ロボットなど先端ソリューションの開発・販売・保守サービスを提供する「アントレプレナ事業」の3事業で推進。
「テクノロジーで、よりよい未来の実現に貢献する」 というパーパスのもと、独自の価値を提供するオンリーワンのエレクトロニクス商社として最も信頼される存在となることを目指します。
本社 :東京都中央区⽇本橋⼤伝⾺町 8-1
設立 :1947 年
代表者:代表取締役社⻑ 兼 最⾼経営責任者(CEO)、最⾼執⾏責任者(COO)堀越裕史
URL :https://www.marubun.co.jp/
お問い合わせ先
Teledyne LeCroy社製品に関するお問い合わせ先
Mail:automotive_industry@marubun.co.jp
報道・メディアからの取材に関するお問い合わせ先
Mail:koho@marubun.co.jp
すべての画像
