日立ソリューションズ東日本、プロセス分析でお客様オペレーションの課題解決を促進するDX羅針盤サービスの提供を開始
2026年3月16日
株式会社日立ソリューションズ東日本
ハートコア株式会社
株式会社日立ソリューションズ東日本(本社:宮城県仙台市、取締役社長:石井 武夫、以下:日立ソリューションズ東日本)は、ハートコア株式会社(本社:東京都品川区、CEO/代表取締役社長:Joe Westhuizen、以下:ハートコア)が提供するプロセス分析ツール(以下プロセスマイニングツール)を活用し、お客様の業務で抱えている課題の発見と解決を支援するDX羅針盤サービスの提供を開始しました。
概要
近年、企業は高齢化による有識者の退職と人材不足という2重の深刻な課題に直面し、現場では出来る社員に業務が集中し疲弊、新規参入者の教育が行き届いていないため作業の品質劣化を招くリスクを抱えています。また、DXによる業務改革を実行しようにも進め方がわからない、現場の理解が得られない、見当違いの施策を導入して現場環境が悪化するといったオペレーションの硬直・劣化が進み組織の環境変化に対応する能力であるビジネスアジリティーが低下します。
そのため、誰もが共通した業務の全体像や課題認識を持つことが重要であり、有識者に依存しないかつ客観的にパフォーマンスを評価できる洗練した業務プロセスを構築することが急務となっています。
日立ソリューションズ東日本は、これらの課題解決のため、お客様のオペレーションをプロセス起点で分析して課題を定量的に可視化、施策の立案から施策を具体化するソリューションを提案し、主経営層や企画部門のお客様の意思決定を支援する業務分析サービスの提供を開始しました。サービスの全体像を以下の通り示します。

プロセスマイニングとは
システムに着目して業務プロセスの課題を発見し、改善・改革につなげる分析手法の一つです。
イベントログと呼ばれるシステムの操作時に記録される情報を収集して、業務プロセスの実態を可視化し分析の切り口(条件)を加えながらプロセスの過程のどの箇所に問題点(ボトルネック)が存在するかを浮き彫りにすることで課題要因を発見し、業務改善のための深掘りポイントを導出します。
従来の結果の指標に着目したBAツールによる分析と異なり、過程に着目した分析手法のため問題が発生している個所を把握しやすく改善施策の立案に直結する強みがあります。プロセスマイニングの画面イメージを以下の通り示します。

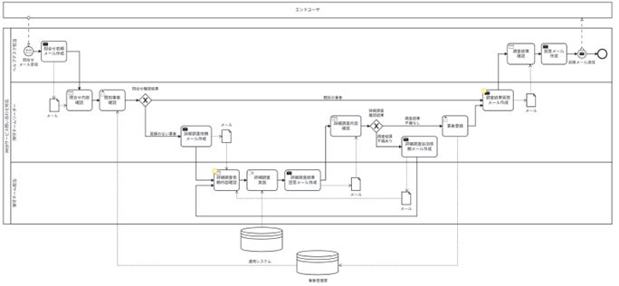
ビジネスプロセスモデリングとは
現場の声に着目して業務プロセスの課題を発見し、改善・改革につなげる分析手法の一つです。
業務の流れを図式化(モデル化)し、シミュレーションを実行することで現状モデルの(AsIsモデル)の構造上の問題を発見し、改善施策の立案が可能で、AsIsモデルをベースに将来的な姿(ToBeモデル)をシミュレートすることで実現するための施策の効果を机上検証することが可能です。さらに、プロセスマイニングで可視化したプロセスを起点に、AsIsモデルを作成することで、システムでは把握できていない作業の発見や、想定されていた業務オペレーションとのギャップを明らかにする強みがあります。モデル図(BPMN)のイメージを以下の通り示します。

「DX羅針盤サービス」の特徴について
1.ビジネスプロセスモデリングと併用したEndToEnd分析
プロセスマイニングとビジネスプロセスモデリングを併用した手法を採用しており、両アプローチから業務プロセスの姿を漏れなく可視化することが可能です。特定のシステムに囚われず顧客の要求から顧客へのサービス提供までのオペレーション全体(EndToEnd)をスコープに入れた分析が可能になり、全体最適な課題の発見と施策を立案が可能です。
2.プロセスマイニングツールに「apromore」を採用
apromoreはハートコア株式会社が提供するオーストラリアの学術研究を基盤にした世界的に主要な商用プロセスマイニングツールです。学術由来の優秀な可視化アルゴリズムで複雑な業務プロセスを高速・正確・簡潔に描画可能であること、施策の改善効果(ROI)を事前に定量証明できる実用的なシミュレーション機能で施策の優先順位付けを効率化可能であることを特徴としています。また、生成AIによる分析作業を効率化するための支援機能を有しているため、専門知識のない人材でも分析結果から一定の示唆を得ることが可能です。
3.経験と製品知識豊富なエンジニアによる課題解決
プロセスマイニングを行うためにはシステムのデータやログをイベントログの形式に加工(変換)する必要があり、効果的に分析するためにはツールの使い方の知識だけでなく「問題点から課題を導き出す洞察力」、「実現可能な施策立案と現実的な効果予測を行う仮説検証力」と言ったスキルが必要になります。本サービスでは産業領域でのデータ加工や分析経験豊富な弊社エンジニアが課題要因の深掘りを行います。
4.豊富なラインナップからベストソリューションをご提案
AppSQUAREを代表とする業務効率化パッケージ提供ベンダーとしての豊富な製品知識と日立グループの豊富なソリューションラインナップを強みに、本サービスでは課題を解決する施策とベストソリューションをセットで立案してお客様課題を解決できるようにご支援します。
AppSQUAREは、株式会社日立ソリューションズ東日本の登録商標です。
今後の展望
従来は業務効率化の手段として様々なサービス・プロダクトを提供してきましたが、今回のサービス提供により、システム導入前の企画やシステム導入後の効果測定で関係者間での業務全体像や課題の共通理解に利用して業務変革のPDCAサイクルを回すことで効果的なDXの推進が可能になります。
今後はアプリケーションプラットフォームとの組み合わせに特化した分析サービスの開発や、プロセスマイニングツール・提案ソリューションのラインナップ強化、タスクマイニングサービスの拡充などを実施する予定です。
プロセスマイニングによるDX羅針盤サービスについて
https://www.hitachi-solutions-east.co.jp/products/processmining_dx_support/
「DX羅針盤サービス」申し込みについて
https://www.hitachi-solutions-east.co.jp/products/processmining_dx_support/contact/
日立ソリューションズ東日本について
私たちは、お客様本位と社員・パートナー重視の考えのもと、独自に醸成したゆるぎない自主技術と日立の総合技術を 基盤に、北海道・東北から国内市場はもとよりグローバルに事業を展開し、お客様と感動を分かち合えるソリューションを 提供する企業として、地域社会、並びに、国際社会の発展に貢献します。
詳しくは、日立ソリューションズ東日本のウェブサイト(https://www.hitachi-solutions-east.co.jp)をご覧ください。
このプレスリリースには、メディア関係者向けの情報があります
メディアユーザー登録を行うと、企業担当者の連絡先や、イベント・記者会見の情報など様々な特記情報を閲覧できます。※内容はプレスリリースにより異なります。
すべての画像