日本初!水素専焼ジェットヒーターの実証実験に成功 ~カーボンニュートラルと使用現場の安全性向上に貢献~
実験には「しかおい水素ファーム(鹿追町)」のカーボンニュートラル水素を利用し、安定した燃焼を確認しました。


*12024年2月現在日工調べ。熱風式直火型ジェットヒーターとして。
*2ジェットヒーターとは寒冷地で用いられる業務用温風ヒーターのこと。屋外イベント等での暖房をはじめ、建設現場のコンクリート養生などにも活用されております。従来は灯油を燃料にしています。
この実証実験の成功により、これまで必要不可欠であった寒冷地の建設現場だけでなく、屋外イベントや学校等の空間暖房器具としての一般活用がより広く展開されることを推進してまいります。
■開発の背景
北海道は、北海道が有する豊富な再生可能エネルギー資源や森林などの吸収源を最大限に活用しつつ、脱炭素化と経済の活性化や持続可能な地域づくりを同時にすすめる「ゼロカーボン北海道」の実現を目指し、各種施策を展開しています。
なかでも十勝地区では家畜糞由来のカーボンニュートラル水素を製造する「しかおい水素ファーム(鹿追町)」を起点に、地産地消を前提としたカーボンニュートラル水素の利用促進が進んでおります。
しかしながらカーボンニュートラル水素の価格が高額であることから、産業への有効活用が進まず、活用先を模索している状況でした。
そのなかで、宮坂建設工業は寒冷地の建設現場における必需品であるジェットヒーターに着目しました。ジェットヒーターは大量の燃料を必要としないため、燃料価格を抑えて導入できるうえ、作業者の安全性の向上にも貢献できると考えたのです。
水素燃焼装置開発の知見を有する日工は、宮坂建設工業の依頼の元、ジェットヒーターの開発を行うこととなりました。
■各社の役割
日工は2023年9月より水素ジェットヒーターの開発に取り組み、社内燃焼試験等を経て2024年1月に試作機の開発を完了しました。
宮坂建設工業は日工に対し、開発がスムーズに進行するようジェットヒーターの現場視察の場やユーザーとしての知見を提供しました。
カナモトは実験機器の提供を行ったほか、ユーザーとしての知見を提供しました。
そして、2024年2月には日工と宮坂建設工業、カナモトが共同で実証実験を行い、成功を収めることができました。
■水素ジェットヒーターの概要
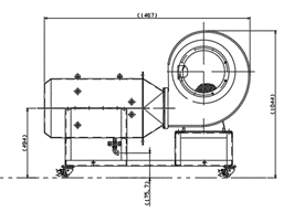
製品名:「Hydro H2eat(ハイドロヒート)」


Hydro H₂eat(ハイドロヒート)
▶使用燃料:水素
▶最大熱出力:35kW
▶最大燃料消費量:11.7Nm³/h
▶水素出力幅:1:10
▶可変温度域:20℃(周辺雰囲気温度)~70℃
▶寸法:1467×655×1044(mm)
▶本体質量:150kg
■期待される効果
従来のジェットヒーターは灯油を燃料としていたことから、CO2が排出されることに加えて一酸化炭素中毒のリスクもありました。
一方で水素ジェットヒーターは水素を燃料するため、CO2は排出されず、一酸化炭素中毒のリスクもないため安全性の向上が期待できます*3。
これにより、これまで必要不可欠であった寒冷地の建設現場だけでなく、屋外イベントや学校等の空間暖房器具としての一般活用がより広く展開されることが期待されます。
*³一酸化炭素中毒の危険性はないが、酸素欠乏や窒素炭化物による影響があるため、使用時は換気が必要
■実証実験について
2024年2月6日~2月9日に陸別町、幕別町にて試作機の燃焼試験を行いました。
陸別町の年間の平均気温は-2℃、冬季の平均気温は-12℃です。最低気温は-35℃以下になることも珍しくなく、寒冷地試験の場所として適していると言えます。
在来工法である灯油燃料としたジェットヒーターと新工法である水素ジェットヒーターを24時間連続燃焼させ、温度や燃料消費量を比較したところ実用性に問題がないことを確認しました。また、CO2
排出量ゼロを確認しました。
【使用機器】

試験場所:北海道 陸別町 分線
北海道 幕別町 依田
試験日:①陸別町 2/6(火)14:00から2/7(水)14:00
②幕別町 2/8(木)14:00から2/9(金)14:00
【試験環境】
寒冷地コンクリート養生での使用を想定して、防寒囲いを設置し、外気温度が大きく変化しても囲い内を一定温度に維持すること、排ガスの水蒸気による影響を確認しました。

【測定項目】
・囲い内温度
・外部温度
・水素 (H2) 、 酸素 (O2) 、 可燃性ガス (CH4) 、 硫化水素 (H2S)
一酸化炭素 (CO)、 二酸化炭素 (CO2)
・燃料消費量:水素 、 灯油
・設置時間
■結果
【排出二酸化素量について】
・灯油使用時 ・水素使用時
陸別エリア 115.8kg 0kg
幕別エリア 91.4kg 0kg
【温度変化について】
陸別町で24時間、囲い内温度10℃以上の維持を達成することに成功しました。また、囲い内での水素滞留は見られず、安全性についても実証することができました。

■今後の取り組み
日工は、2024年度内の製品化を完了させ、2025年の冬の実装に向けた販売を開始する予定です。
共同で地産地消の水素活用を推し進め、より簡単に、専門技術者でなくても使用できる水素専焼ジェットヒーターの普及に向けた推進活動を行うことで、カーボンニュートラル水素の有効活用に貢献してまいります。
【日工株式会社 会社社概要】
1919年、世界的商社であった鈴⽊商店関係者により創業。 スコップなどの⼯具製作からはじまり、今⽇は⽇本のインフラを⽀えるプラント機械メーカーとして事業展開を⾏ってい ます。 アスファルトプラントの国内シェアは70%に上り、空港などの巨⼤インフラから⽣活道路まで皆様のまちづくりのお⼿伝いをしています。
社 名 :日工株式会社
社 長 :辻󠄀 勝
本 社 :兵庫県明石市大久保町江井島1013番地の1
創 業 :1919年8月13日
事業内容 :アスファルト及びコンクリート事業、環境関連事業、モバイル関連事業
URL :https://www.nikko-net.co.jp
日工公式note:https://note.com/nikkouhou/
このプレスリリースには、メディア関係者向けの情報があります
メディアユーザー登録を行うと、企業担当者の連絡先や、イベント・記者会見の情報など様々な特記情報を閲覧できます。※内容はプレスリリースにより異なります。
すべての画像
