Voxaの「Blade™」が米国顕微鏡学会主催「M&M2023」でイノベーションアワードを受賞
電子顕微鏡のイメージングプロセスを完全自動化、脳神経疾患の解明や臨床病理学の有効なツールとして活用される可能性も。

※ 7月下旬ミネアポリスで開催されたM&M2023にて受賞された代表取締役オウン・クリストファー・スーヤン
【Webページ】 https://www.microscopy.org/awards/mto_innovation_awards.cfm
「M&M2023イノベーションアワード」受賞について

「マイクロスコーピー・トゥデイ・イノベーションアワード」は、米国顕微鏡学会が主催し、毎年顕微鏡法や微量分析において革新的な技術を開発・発表した10の組織や個人に授与されます。応募者数は公開されていませんが、選定基準は、顕微鏡研究界における重要性と有用性で、より良く、より速く、より簡単な、あるいは全く新しい分析方法を提供したものが選抜されます。
今回受賞した「Blade™」は、既存の透過型電子顕微鏡(TEM)にATUM(超薄連続切片自動回収機)を活用した超高スループット画像処理を付加するアクセサリで、従来のワークフローを100万倍のスピードに改善します。広域の視野を効率的にキャプチャし、被写体をフル解像度のモンタージュ画像としてスピーディに出力することができます。これまで手動で莫大な時間をかけて行われてきたサンプル前処理とイメージキャプチャのプロセスを完全自動化し、業界に抜本的な変革をもたらした点が評価されました。
「Blade™」以前、膨大な時間と労力をかけてエキスパートが得られるデータは、微量の細胞、材料、化学構造に限られていました。「Blade™」は、精密なサンプル供給と、高度なイメージ復元を超高速に完全自動で行います。これによって、ナノスケールの構造を大規模に観察し、大量データに基づいた調査が可能になりました。例えば、脳神経学において、従来の方法で脳組織や脳回路の完全な復元ができたのは、小さな昆虫やミミズのような単純な生物のみでした。現在は大型の昆虫、魚、小型哺乳類などより複雑な生物の脳回路や脳全体の復元が進んでいます。本製品は、米国プリンストン大学、アレン脳科学研究所、日本の生理学研究所、ドイツのシャリティ・ベルリン医科大学など、世界的にトップレベルの研究機関で上記のような研究に利用されています。
【学術誌「マイクロスコーピー・トゥデイ」編集長 チャールズ・ライマン氏 コメント】
この度はイノベーションアワードの受賞おめでとうございます。「Blade™」が最小限の人的労力でボリュームデータを取得する能力は、人工知能(AI)解析を含む新しいタイプのデータ解析とインフォマティックスを可能にします。「Blade™」が、競合ツールに比べて数倍も高速であるにも拘らず、数分の一のコストであり、電子顕微鏡の完全な自動化を達成したことから、生物学、コンビナトリアル材料科学、化学などに大きな飛躍がもたらされることは間違いありません。

【Voxa Japan株式会社 代表取締役オウン・クリストファー・スーヤン コメント】
Voxaの長年の取り組みが、イノベーションアワードという形で評価されたことを大変嬉しく思います。「Blade™」が可能にする新しい研究開発では、大脳皮質の脳回路を完全に見たり、細胞システムがどのように発達し障害を起こすのかを研究したり、複雑な材料や化学システムをより精密に理解したりすることができます。これによって、例えば、これまで考えられていたよりも早く脳神経疾患の解明ができることが分かっています。「Blade™」は価格も手頃なので、今後TEMが臨床病理学の有効なツールとして利用されるようになる可能性も見えています。Voxaは電子顕微鏡の大衆化を目指していますが、社会に役立つサイエンスの前進に貢献できるのは本当に光栄なことです。

※ M&M2023にてアメリカと日本のVoxaチームのメンバーたち
M&M2018で同アワードを受賞したVoxaの「Mochii™」

Voxaには、2018年に同イノベーションアワードを受賞した別の製品「Mochii™」があります。「Mochii™」は、エネルギー分散型X線分析器(EDS)を内蔵した世界初のポータブル走査型電子顕微鏡(SEM)です。コーヒーメーカーサイズで、重量約15kg、ワイヤレス・ユーザー・インターフェースによって、遠隔操作で複数ユーザーがサンプルの解析を行うことができます。AC110/240Vで動作し、消費電力は85 W以下、一体型の設計が極限の低コストを実現しています。子供でも分かりやすい直感的なユーザー・インターフェースが人気を博しています。
現在はNASAとのパートナーシップの下、国際宇宙ステーション(ISS)で「Mochii™」を用いて地球にサンプルを持ち帰らず、地上の専門家によるサンプルのリアルタイム遠隔分析・解析が行われています。今後も南極やサハラ砂漠、僻遠の油田、海洋上の船舶、狭小空間など、様々な過酷な環境下で取得したサンプルをすぐその場で遠隔地にいる人と共同で解析するなど、「Mochii™」応用の可能性は無限に広がっています。
※ 写真は宇宙ミッションを果たしたMochii ISS1号機。現在は2号機が活躍中
Voxaと新しいナノイメージングの地平へ
Mochii Inc.(屋号Voxa)は、2012年シアトルでの創業以来、電子顕微鏡業界に革新的なナノスケールのイメージング技術ソリューションを提供してきました。その分野は、神経科学、医療、環境保護、宇宙開発など多岐にわたっています。今年2月にはVoxaの日本オフィスVoxa Japan株式会社を設立し、今後はアジア・太平洋地域を中心にチームを強化し、ナノイメージングの地平を広げていきたいと考えています。

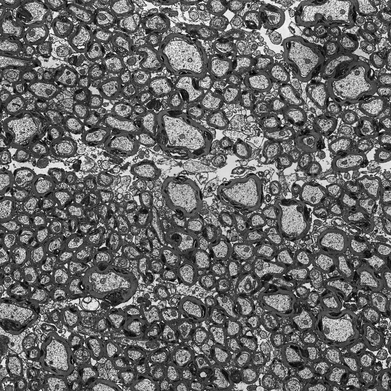
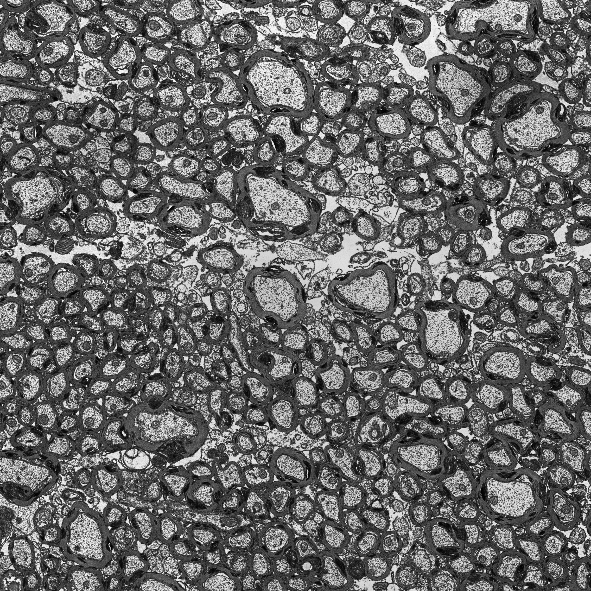
※ 「Blade™」が捉えたネズミの有髄神経繊維(プリンストン大学神経科学研究所 ジェン・ジハオ博士提供)
「Blade™」は、私たちの世界のナノレベルの詳細を、安価で迅速かつ効率的にイメージングする最強のツールです。この社会に有益なツールを安定的に製造し、お客様のあらゆる要望に応じ、その願いを実現していくのがVoxaのミッションです。Voxaの製品を活用し、さらに新しいサイエンスの地平が切り拓かれることを願ってやみません。Voxaでは現在、このミッションに共鳴し、共に働くエンジニアの仲間を募集しています。Voxaで働いてみたい、製品を近くで体験してみたい、Voxa製品を活用した共同研究や事業提携を検討したいなど、ご興味のある方は下記までご連絡ください。
【商品概要】
商品名:TEM用超高スループット・パイプライン「Blade™」/EDS内蔵ポータブルSEM「Mochii™」
価格:要問い合わせ。カスタマイズ内容による。
販売場所: Voxa Japan株式会社(横浜本社)
詳細:https://www.voxa.co/solutions/
【Voxa Japanについて】
Voxaの日本オフィスは、既存顧客へのサポート充実、アジア・太平洋地域での販路開拓、同地域での事業提携などを目的に、神奈川県とJETROの支援の下2023年2月に設立されました。横浜の山下公園近くの産業貿易センタービル内にオフィスを構え、共通言語は英語ですが、とても多文化な職場です。代表取締役のオウン氏もその家族と一緒にオフィスの近くに住んでいます。


【会社概要】
社名:Voxa Japan株式会社
本社所在地:神奈川県横浜市中区山下町2番地 産業貿易センタービル2階
代表取締役:オウン・クリストファー・スーヤン
事業内容:科学精密機器の製造販売に係るサービス提供
設立:2023年2月
HP:https://www.voxa.co
【お問い合わせ先】
担当:シュタインマン信子
Email: nobuko@projectvoxa.com
TEL: 050-5372-3659
このプレスリリースには、メディア関係者向けの情報があります
メディアユーザー登録を行うと、企業担当者の連絡先や、イベント・記者会見の情報など様々な特記情報を閲覧できます。※内容はプレスリリースにより異なります。
すべての画像
